Регулятор давления С101-R уменьшает и поддерживает постоянное пониженное давление «после себя» независимо от изменения давления до регулятора и водоразбора после него.
Применение регулятора С101-R позволяет:
- стабилизировать гидравлический режим сети водоснабжения,
- снизить расходы на ремонтно-восстановительные работы за счет уменьшения числа прорывов в сети,
- уменьшить потери воды,
- сократить расход воды за счет оптимизации режима работы сети,
- снизить нагрузку на насосное оборудование.
Основные характеристики:
- Рабочая среда: чистая вода.
- Максимальная температура: 80 °С.
- Минимальное давление в системе с регулятором: 1,5 бар.
- Диапазон настроек: от 1 до 8 бар, от 2 до 16 бар.
Не допускать замерзания воды в регуляторе и в его импульсной арматуре.
ОБЛАСТИ ПРИМЕНЕНИЯ ПИЛОТНЫХ РЕГУЛИРУЮЩИХ КЛАПАНОВ РИДАН С101-R
- Насосные станции.
- Распределение воды.
ТЕХНИЧЕСКИЕ ХАРАКТЕРИСТИКИ И РАЗМЕРЫ ПИЛОТНЫХ РЕГУЛИРУЮЩИХ КЛАПАНОВ РИДАН С101-R

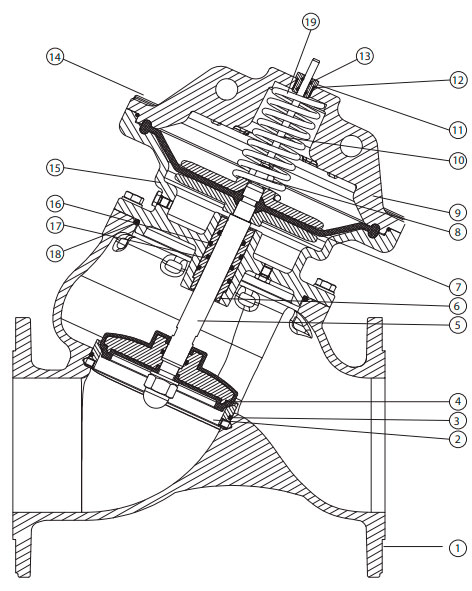
Устройство пилотных регулирующих клапанов Ридан С101-R

| Поз. |
Наименование |
Материал |
| 1 |
Корпус |
Высокопрочный чугун |
| 2 |
Седло |
Коррозионностойкая сталь |
| 3 |
Уплотнение |
Нитрил |
| 4 |
Затвор |
Серый чугун с покрытием EPDM |
| 5 |
Шток |
Коррозионностойкая сталь |
| 6 |
Сальниковая втулка |
Бронза |
| 7 |
Мембрана |
EPDM, армированный нейлоном |
| 8 |
Гайка |
Коррозионностойкая сталь |
| 9 |
Крышка камеры |
Высокопрочный чугун |
| 10 |
Индикатор по ложений |
Коррозионностойкая сталь |
| 11 |
Втулка |
Латунь |
| 12 |
Уплотнение |
Нитрил |
| 13 |
Уплотнение |
Нитрил |
| 14 |
Болт крышки |
Коррозионностойкая сталь |
| 15 |
Корпус камеры |
Высокопрочный чугун |
| 16 |
Уплотнение |
Нитрил |
| 17 |
Уплотнение |
Нитрил |
| 18 |
Уплотнение |
Нитрил |
| 19 |
Пружина |
Коррозионностойкая сталь |
Технические характеристики регулирующих клапанов Ридан С101-R

1 онлайн гипермаркет Ридан предлагает купить регулирующий клапан Ридан С101-R по цене производителя. Наши специалисты помогут подобрать и рассчитать необходимую трубопроводную арматуру, отталкиваясь от требований клиента.