Оптимальное образование расходных каналов в теплообменнике LC110-120L-DN50.CS обеспечивает компромисс между получением низких опоров расхода и высокой эффективностью теплообмена.
Герметичность конструкции а также прочное соединение пластин обеспечивает процесс пайки в вакуумной печи.
Это пластинчатые паяные медью теплообменники, являющиеся надежным решением в домашних отопительных установках, тепловых узлах, отопительных котлах, каминах с водяной рубашкой и т.д., а так же оптимизированные для работы с фреоном.
Для каждого размера теплообменника существует возможность выбора разных размеров присоединений а также двухходовой версии теплообменника которая характеризуется высокой эффективностью теплообмена при очень требовательных параметрах.
Добавочные аксессуары: подпоры изоляция
ПРИМЕНЕНИЕ ТЕПЛООБМЕННИКА SECESPOL LC110-120L-DN50.CS
- в системах центрального отопления
- в системах солнечного и геотермального обогрева
- в системах с тепловым насосом
- в системах с каминомс водяной рубашкой
- в системах: отопления вентиляции технологических кондиционирования
- воздуха охлаждения и промышленных
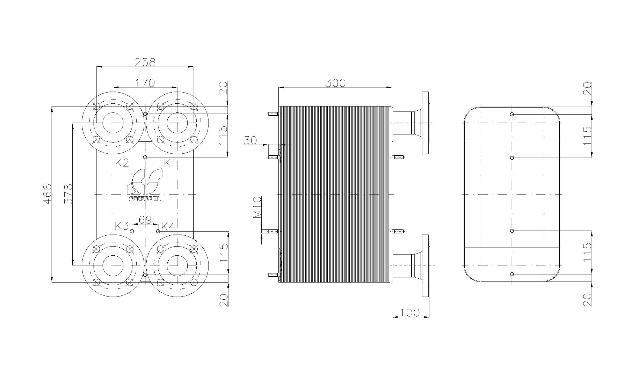
КОНСТРУКЦИЯ И ГАБАРИТНЫЕ РАЗМЕРЫ ТЕПЛООБМЕННИКА SECESPOL LC110-120L-DN50.CS
Пластинчатые паяные теплообменники типа L-line являются проточными противоточными устройствами.
Поверхность теплообмена создают гофрированные пластины из нержавеющей стали объединенные в пакет при помощи медной или никелевой пайки.
Соответствующее образование внутреннего пространства теплообменника направляет поток теплообменивающих агентов в каналы создаваемые каждой второй греющей пластиной.
В защитных пластинах помещены патрубки подводящие и отводящие робочие агенты.
Теплообменники представляют собой неразборную конструкцию.

Размеры в мм
| A | B | C | D | E |
| 170 | 378 | 466 | 258 | 28; 140 |
Стандартное размещение присоединений (одноходовой)
K1/K4 – вход/ выход греющего агента
K3/ K2 – вход /выход нагреваемого агента
Стандартное размещение присоединений (двухходовой)
D4/K4 – вход/ выход греющего агента
K3/ D3 – вход /выход нагреваемого агента
В теплообменниках двухходовых с 6 патрубками
K1- патрубок выпускающий воздух/
обратный вход ЦО
K2- патрубок выпускающий воздух /
обратный вход циркуляции ГВС
ТЕПЛОИЗОЛЯЦИЯ ТЕПЛООБМЕННИКА SECESPOL LC110-120L-DN50.CS
Изоляция для теплообменников L-line произведена из полиурета новой изоляционной пенки покрытой алюминием (APFI). Состоит из двух частей соединенных между собой при помощи закрытий.
Технические параметры изоляции:
- макс. температура работы: +135 °C
- толщина: 30 мм
- теплопроводность: 0 024 Вт/мК
1 онлайн гипермаркет предлагает своим клиентам паяный теплообменник Secespol LC110-120L-DN50.CS по цене производителя с возможностью бесплатной доставки. Наши специалисты помогут подобрать необходимое оборудование отталкиваясь от требований клиента.